Siedle ZD 061-10 anschliessen ?

Diskutiere Siedle ZD 061-10 anschliessen ? im Türsprechanlagen Forum im Bereich GEBÄUDE- UND HAUSTECHNIK; Hallo , wie schliesse ich einen externen Klingeltaster mit 2 Drähten an einen ZD 061-10 im Zusammenhang mit einem Siedle TLE 061-0 an ? Gibt es...

  1. #1 killerkuno, 06.04.2010
    killerkuno

    killerkuno Neues Mitglied

    Dabei seit:
    06.04.2010
    Beiträge:
    2
    Zustimmungen:
    0
    Hallo , wie schliesse ich einen externen Klingeltaster mit 2 Drähten an einen ZD 061-10 im Zusammenhang mit einem Siedle TLE 061-0 an ?
    Gibt es einen genauen Schaltplan ?
    Aus dem Taster kommen ja nur 2 Drähte, wo schliesse ich die genau an ?
     
  2. Anzeige

  3. #2 Bewusstseinsspalter, 07.04.2010
    Bewusstseinsspalter

    Bewusstseinsspalter Lüsterklemmer

    Dabei seit:
    16.02.2010
    Beiträge:
    681
    Zustimmungen:
    3
  4. #3 killerkuno, 07.04.2010
    Zuletzt bearbeitet: 07.04.2010
    killerkuno

    killerkuno Neues Mitglied

    Dabei seit:
    06.04.2010
    Beiträge:
    2
    Zustimmungen:
    0
    AW: Siedle ZD 061-10 anschliessen ?

    Die Pläne hab ich bereits, da ist aber nicht eingezeichnet wo ich die 2 Drähte des externen Tasters an den ZD 061-10 anschliesse, oder bin ich blind ?

    edit:
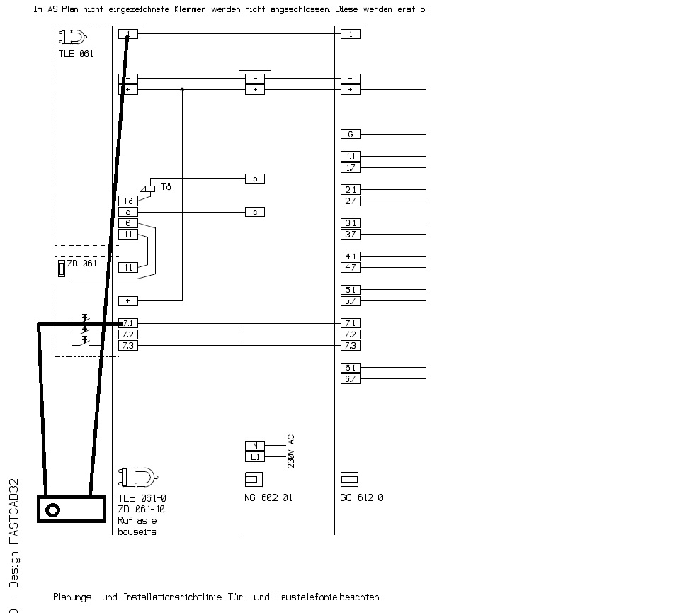
    oder schliesse ich das so an wie mit den dicken Strichen eingezeichnet, siehe Bild
    http://www.h-arndt.de/bilder/zd6110.jpg

    nochmal edit:

    Antwort aus einem anderen Forum:
    Ein solcher Taster kommt also zwischen Klemme 6 des TLE und Klemme 7.x des ZD. Seine Polung ist egal.
    Also so: http://www.h-arndt.de/bilder/zd61101.jpg
     
  5. henk

    henk Leitungssucher

    Dabei seit:
    18.11.2009
    Beiträge:
    195
    Zustimmungen:
    0
    AW: Siedle ZD 061-10 anschliessen ?

    Hallo killerkuno
    Anschluss erfolgt an Klemme 6 und die andere seite an
    Klemme 7.1
    Gruß Henk
     
  6. #5 Bewusstseinsspalter, 07.04.2010
    Bewusstseinsspalter

    Bewusstseinsspalter Lüsterklemmer

    Dabei seit:
    16.02.2010
    Beiträge:
    681
    Zustimmungen:
    3
    AW: Siedle ZD 061-10 anschliessen ?

    Naabend....

    Ist doch ersichtlich !

    Ruftaster parallel schalten zu dem wo's klingeln soll.

    Mfg....
     
  7. henk

    henk Leitungssucher

    Dabei seit:
    18.11.2009
    Beiträge:
    195
    Zustimmungen:
    0
    AW: Siedle ZD 061-10 anschliessen ?

    Hallo bewusstseinsspalter
    Warum denn nicht sofort diese Angabe, an killerkuno ?
    Anhängen an Ergebnisse kann jeder!
    Grüße Henk.
     
  8. #7 Bewusstseinsspalter, 08.04.2010
    Zuletzt bearbeitet: 08.04.2010
    Bewusstseinsspalter

    Bewusstseinsspalter Lüsterklemmer

    Dabei seit:
    16.02.2010
    Beiträge:
    681
    Zustimmungen:
    3
    AW: Siedle ZD 061-10 anschliessen ?

    Moin....

    Anhängen ? :confused:

    Ich selber kenne mich speziell mit Siedle-Anlagen nicht aus. Brauche ich auch nicht, da ich Schaltpläne zeichnen und lesen kann.
    Der Schaltplan ist kein Kindergekritzel, sondern die Sprache des Ingenieurs oder Technikers, eindeutig und sogar mehrsprachig....

    Deshalb habe ich Ihm auch den Link zu einem Schaltplan gegeben.

    Es Bedarf ja hier in diesem Fall keiner grossen wissenschaftlichen Methoden um zu ersehen, wo der Ruftaster angeschlossen werden muss.

    Sogar Du hast das herausgefunden ! Herzlichen Glückwunsch !

    MfG....
     
  9. henk

    henk Leitungssucher

    Dabei seit:
    18.11.2009
    Beiträge:
    195
    Zustimmungen:
    0
    AW: Siedle ZD 061-10 anschliessen ?

    Hallo Schaue mal Dein MOTTO an !!!!!!!
    "Es gibt nichts praktisches usw."
    Henk.
     
  10. #9 Bewusstseinsspalter, 08.04.2010
    Bewusstseinsspalter

    Bewusstseinsspalter Lüsterklemmer

    Dabei seit:
    16.02.2010
    Beiträge:
    681
    Zustimmungen:
    3
    AW: Siedle ZD 061-10 anschliessen ?

    Was Du versucht hast zu zitieren, nennt sich Signatur und nicht MOTTO.
    In welchem Zusammenhang diese mit meinen letzen Ausführungen steht, erschließt sich mir nicht.

    MfG....
     
  11. henk

    henk Leitungssucher

    Dabei seit:
    18.11.2009
    Beiträge:
    195
    Zustimmungen:
    0
    AW: Siedle ZD 061-10 anschliessen ?

    Hallo
    Jetzt wird die Sache langsam lachhaft
    Henk
     
Thema:

Siedle ZD 061-10 anschliessen ?

Die Seite wird geladen...

Siedle ZD 061-10 anschliessen ? - Ähnliche Themen

  1. SSS Siedle TLE 061-0, ZD 061-10

    SSS Siedle TLE 061-0, ZD 061-10: Hallo, ich weiß, dass Thema ist schon so oft gekaut. Aber wie all die anderen brauch ich eueren geschätzten fachmännischen Rat. Ich habe meinen...
  2. Probleme mit Siedle ZD061-10

    Probleme mit Siedle ZD061-10: Hallo an alle erstmal :) Ich habe folgendes Problem: Ich habe daheim eine Siedle Anlage mit 6 Anlieger Wohnungen. Alle Wohnungen haben eine...
  3. Siedle TLE 061-0 / ZD 061-10

    Siedle TLE 061-0 / ZD 061-10: Hallo habe mal eine Frage wie klemme ich die Zubehör-Dioden an habe mal eine Zeichnung erstellt.
  4. Siedle AIB 150-01: Automatisches Timeout für Türgespräch?

    Siedle AIB 150-01: Automatisches Timeout für Türgespräch?: Guten Tag, ich saniere mein EFH und möchte eine neue Türanlage einbauen. Das geplante Setup sieht wie folgt aus: BNG 650-0 + BTLM 651-0 + 3x AIB...
  5. Umrüstung Siedle HTA411-02 zu Siedle HTA811-0

    Umrüstung Siedle HTA411-02 zu Siedle HTA811-0: Hallo, meine alte Klingel „Siedle HTA 411-02 hat leider den Geist aufgegeben (Ich wohne in einem Mehrfamilienhaus). Ich habe mir nun nach die...